质量稳定:实行全过程质量监控,细致入微,全方位检测!
价格合理:内部成本控制,减少了开支,让利于客户!
发货快捷:先进生产流水线,充足的备货,缩短了交货期!
XF5900B 型球式防腐偏心旋塞阀:吸收了国内外偏心旋塞阀的多项优点,其外形美观,启闭灵活,维修方便,密封性能好,流通面积大,流阻小;焊接 Ni 密封阀座,提供了可靠的防腐蚀和耐磨性能。可在恶劣的水质和油品中使用。采用了偏心结构,阀门启闭时,球瓣从密封座脱开,没有摩擦和磨损,因而启闭力矩小,启闭灵活。由于偏心运动,阀门具有关闭严密的密封功能和密封副磨损补偿性,大大提高了密封的可靠性和使用寿命。
该系列球式防腐偏心旋塞阀通径为 DN100~DN600,工作压力为 0.6MPa~1.6MPa,具有手动、电动、气动、液动等各种驱动形式。偏心旋塞阀用于泵前和污水比其它阀门具有独到之处。
产品特点:①偏心旋塞阀双偏心设计、低摩擦开启和关闭,确保零泄露。②含镍(Ni)90%,3mm 厚的堆焊阀座,或高性能树脂阀座,能满足多种的耐腐蚀要求。③V 型组合密封圈,可在不卸下操作装置的情况下进行更换。④密封胶加注口设计,可延长阀门适用周期。⑤阀轴承为自润滑材料,无需加润滑脂,对阀轴磨损很小。⑥旋塞体模压热包胶,无橡胶脱落和冲刷腐蚀的担忧。⑦阀盖和阀体用 O 型圈密封,螺栓数量减少,方便维修。⑧提供阀门进出口压力表接头,方便用户控制和测定流量。
| 型号 | PN | 工作压力/MPa | 试验压力/MPa | 适用温度/℃ | 适用介质 | |
|---|---|---|---|---|---|---|
| 强度试验 | 密封试验 | |||||
| XF5900B-10 | 10 | 1.0 | 1.5 | 1.1 | ≤80 | 清水、污水、油品 |
| XF5900B-16 | 16 | 1.6 | 2.4 | 1.76 | ||
| 型号 | 材料 | ||||||
|---|---|---|---|---|---|---|---|
| 阀体 | 柱塞 | 球瓣 | 上端盖 | 下端盖 | 阀体密封座 | 球瓣密封面 | |
| XF5900B-10 | HT200 QT500-7 |
QT600-3 | QT500-7 | HT200 | HT200 | 焊 Ni | 丁腈橡胶 陶瓷R-金属 |
| XF5900B-16 | |||||||
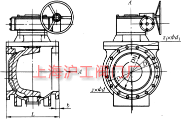
| DN | D | D1 | b | z×Φd | z1×Φd1 | L |
|---|---|---|---|---|---|---|
| 100 | 220 | 180 | 24 | 6×Φ17.5 | 2×Φ16 | 230 |
| 150 | 285 | 240 | 26 | 6×Φ22 | 2×Φ20 | 310 |
| 200 | 340 | 295 | 28 | 6×Φ22 | 2×Φ20 | 370 |
| 250 | 395 | 350 | 28 | 8×Φ22 | 2×Φ20 | 410 |
| 300 | 445 | 400 | 28 | 10×Φ22 | 4×Φ20 | 420 |
| 350 | 505 | 460 | 30 | 12×Φ22 | 4×Φ20 | 520 |
| 400 | 565 | 515 | 32 | 12×Φ26 | 4×Φ24 | 540 |
| 450 | 615 | 565 | 32 | 16×Φ26 | 4×Φ24 | 640 |
| 500 | 670 | 620 | 34 | 16×Φ26 | 4×Φ24 | 700 |
| 600 | 780 | 725 | 36 | 16×Φ30 | 4×Φ27 | 830 |
| DN | D | D1 | b | z×Φd | z1×Φd1 | L |
|---|---|---|---|---|---|---|
| 100 | 220 | 180 | 24 | 6×Φ17.5 | 2×Φ16 | 230 |
| 150 | 285 | 240 | 26 | 6×Φ22 | 2×Φ20 | 310 |
| 200 | 340 | 295 | 30 | 10×Φ22 | 2×Φ20 | 370 |
| 250 | 405 | 355 | 32 | 10×Φ26 | 2×Φ24 | 410 |
| 300 | 460 | 410 | 32 | 8×Φ26 | 4×Φ24 | 420 |
| 350 | 520 | 470 | 36 | 12×Φ26 | 4×Φ24 | 520 |
| 400 | 580 | 525 | 38 | 12×Φ30 | 4×Φ27 | 540 |
| 450 | 640 | 585 | 40 | 16×Φ30 | 4×Φ27 | 640 |
| 500 | 715 | 650 | 42 | 16×Φ33 | 4×Φ30 | 700 |
| 600 | 840 | 770 | 48 | 16×Φ36 | 4×Φ33 | 830 |

不断提升服务质量,精益求精,“真诚的服务”是赏金国际永恒的主题。赏金国际严格按照 ISO9001-2000 质量体系认证要求,质量严格把关,责任到人,确保生产、销售、服务的健康运行。加强与用户沟通,竭诚为广大客户提供优质产品,至善至美服务,特此我厂做出如下承诺:
产品严格按照中国 GB、HG 标准和美国 API 等标准设计、制造、验收。密封面硬度达到国家规定要求,宽度超过国家标准。
产品介绍,技术交流,非标产品设计,疑难解答
销售热线:
138-0532-3165 137-0898-7179