质量稳定:实行全过程质量监控,细致入微,全方位检测!
价格合理:内部成本控制,减少了开支,让利于客户!
发货快捷:先进生产流水线,充足的备货,缩短了交货期!
T40H-40、T40H-100 型给水回转式调节阀:适用于中、低压锅炉给水管道和高压加热器疏水管上,通过转动圆筒形阀瓣使其与阀座形成的窗口面积改变,从而实现调节流量的目的。给水回转式调节阀的回转启闭角度为 60°,由调节阀上方的开度指示板来指示。可配用电动执行装置,实行远程自动化操作。
| 型号 | PN | 工作压力/MPa | 适用温度/℃ | 适用介质 |
|---|---|---|---|---|
| T40H-40 | 40 | 4.0 | ≤200 | 水、蒸汽 |
| T40H-100 | 100 | 10.0 |
| 型号 | 材料 | ||||||
|---|---|---|---|---|---|---|---|
| 阀体 | 阀座 | 阀瓣 | 拔杆 | 阀杆 | 紧固件 | 填料 | |
| T40H-40 | 优质碳素钢 | 铬不锈钢 | 铬不锈钢 | 铬不锈钢 | 铬不锈钢 | 优质钢 | 柔性石墨 |
| T40H-100 | |||||||
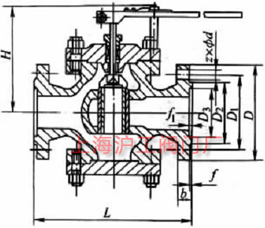
| DN | 最大流通面积/cm2 | L | H | D | D1 | D2 | D3 | b | f | f1 | z×Φd |
|---|---|---|---|---|---|---|---|---|---|---|---|
| 50 | 1.89 | 230 | 245 | 160 | 125 | 100 | 88 | 20 | 3 | 4 | 4×Φ18 |
| 65 | 2.72 | 290 | 250 | 180 | 145 | 120 | 1140 | 22 | 3 | 4 | 8×Φ18 |
| 80 | 6.4 | 310 | 255 | 195 | 160 | 135 | 121 | 24 | 3 | 4 | 8×Φ18 |
| 100 | 8.4 | 350 | 280 | 230 | 190 | 160 | 150 | 26 | 3 | 4.5 | 8×Φ23 |
| DN | 最大流通面积/cm2 | L | H | D | D1 | D2 | D3 | b | f | f1 | z×Φd |
|---|---|---|---|---|---|---|---|---|---|---|---|
| 50 | 1.27 | 300 | 250 | 195 | 145 | 115 | 88 | 28 | 3 | 4 | 4×Φ25 |
| 80 | 5.5 | 380 | 255 | 230 | 180 | 150 | 121 | 34 | 3 | 4 | 8×Φ25 |
| 100 | 15 | 400 | 288 | 265 | 210 | 175 | 150 | 38 | 3 | 4.5 | 8×Φ30 |
| 150 | 19 | 450 | 340 | 350 | 290 | 250 | 204 | 46 | 3 | 4.5 | 12×Φ34 |
| 200 | 55 | 710 | 455 | 430 | 360 | 315 | 260 | 54 | 3 | 4.5 | 12×Φ40 |

不断提升服务质量,精益求精,“真诚的服务”是赏金国际永恒的主题。赏金国际严格按照 ISO9001-2000 质量体系认证要求,质量严格把关,责任到人,确保生产、销售、服务的健康运行。加强与用户沟通,竭诚为广大客户提供优质产品,至善至美服务,特此我厂做出如下承诺:
产品严格按照中国 GB、HG 标准和美国 API 等标准设计、制造、验收。密封面硬度达到国家规定要求,宽度超过国家标准。
产品介绍,技术交流,非标产品设计,疑难解答
销售热线:
138-0532-3165 137-0898-7179